网站首页
产品中心
激光焊接设备
机械手焊接设备
数控焊接设备
焊机辅助设备
焊接机械手
协作焊接机械手
自动打磨设备
焊接工装夹具
新闻资讯
公司资讯
行业新闻
行业应用
电机壳体案例
铝合金焊接
不锈钢焊接
低碳钢焊接
车架
门板框架格栅
管道容器
重工
汽车
技术服务
技术答疑
技术资料
关于我们
公司简介
企业文化
公司环境
企业资质
联系我们
search
网站首页
产品中心
激光焊接设备
机械手焊接设备
数控焊接设备
焊机辅助设备
焊接机械手
协作焊接机械手
自动打磨设备
焊接工装夹具
新闻资讯
公司资讯
行业新闻
行业应用
电机壳体案例
铝合金焊接
不锈钢焊接
低碳钢焊接
车架
门板框架格栅
管道容器
重工
汽车
技术服务
技术答疑
技术资料
关于我们
公司简介
企业文化
公司环境
企业资质
联系我们
技术服务
Technical Service
技术资料
首页
技术服务
技术资料
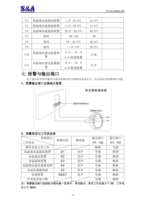
特域工业循环冷水机说明书
发布日期:
2026-01-05 15:44:53
/ 人气 :
163
特域工业循环冷水机说明书(下载)
技术服务搜索
搜索
技术服务列表
技术答疑
技术资料
推荐信息
焊接课堂 | 驾驭光的力量:激光焊接核心注意事项
2025-11-20
机器人预防未焊透的方法
2024-08-06
产品中心
一键导航
186-6253-8975
技术服务列表